Kategorie

GNIAZDO AC IEC ZASILAJĄCE KOMPUTEROWE MĘSKIE Z GNIAZDEM BEZPIECZNIKA Z WYŁĄCZNIKIEM

Dostępność: 36 szt

Cena brutto: 7,95

Cena netto: 6,46 zł

Opis:

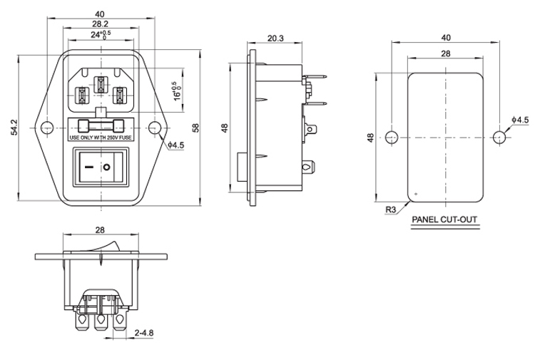
Gniazdo jest przeznaczone do montażu w panelu poprzez otwór. Do jego zamocowania można użyć dwóch otworów na śruby. Z tyłu gniazda znajdują się trzy duże, lutowalne wyprowadzenia oznaczone jako: Line (L), Neutral (N) oraz Protective Ground (PE). Obciążenie przechodzi bezpośrednio przez zintegrowany uchwyt bezpiecznika. Przełącznik nie jest domyślnie podłączony i posiada wyprowadzone wszystkie trzy styki SPDT; można go podłączyć zgodnie z wymaganiami aplikacji. Przy podłączaniu tych elementów zaleca się użycie koszulki termokurczliwej w celu zminimalizowania odsłoniętych obszarów pod wysokim napięciem.

Konstrukcja szufladki bezpiecznika umożliwia jego wymianę bez dostępu do wnętrza obudowy i bez użycia narzędzi. Szufladka posiada również miejsce na jeden zapasowy bezpiecznik. Urządzenie wykorzystuje standardowy bezpiecznik 5 x 20 mm.

Wymiary na zdjęciach.
5920
Towar
23 (23%)
szt
Komputery\Wtyki,gniazda i złącza komputer.,telefon